首页
关于我们
产品展示
技术图纸
新闻中心
联系我们
公司新闻
Company news
公司新闻
行业新闻
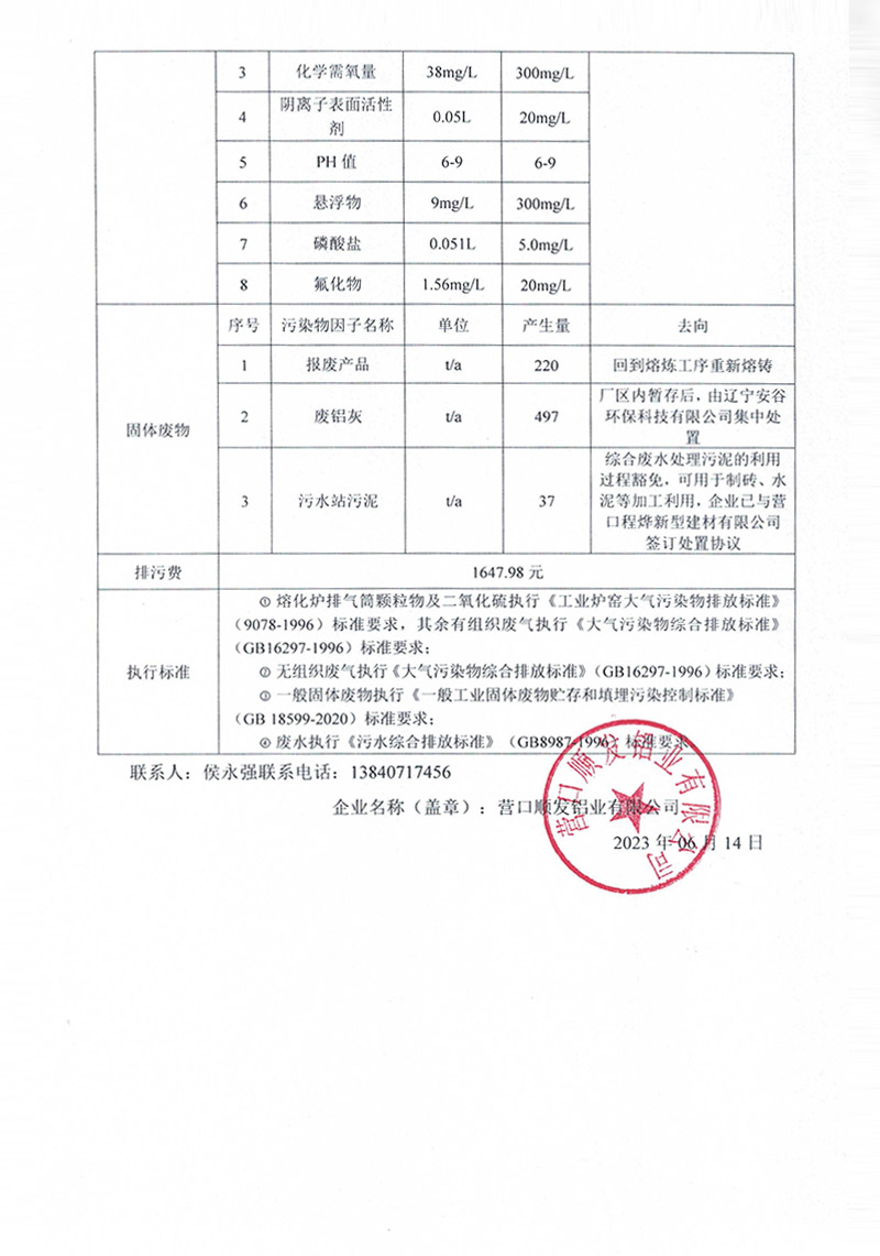
营口顺发铝业有限公司清洁生产审核信息公示
发布日期: 2023-06-16
访问量:144
上一篇:没有了
下一篇:
营口顺发铝业有限公司 新建年产3万吨铝制品项目 环境影响评价第二次公示
0417-3188188
移动端